醫用壓縮空氣是現代醫療體系的重要組成部分,是生命的支持系統,其重要性,已經得到高度重視。GB50751-2012醫用氣體工程技術規范對壓縮空氣的品質有了詳盡的規定:
對于醫用壓縮空氣系統的設計和應用的論述文章已經很多,但是對系統中的具體設備的選型,應用和維護等具體細節的論述卻很少。本文針對醫用壓縮空氣系統的特點和GB50751的規范的要求,對吸附式干燥器稍作詳細介紹,以供醫療工程建設人員參考。
1、為什么選用吸附干燥器
對大流量空壓系統來說,干燥機一般有兩個選擇:冷凍干燥機和吸附式干燥機。冷凍干燥機由于其自身的設計特點,并不十分適用于醫療壓縮空氣系統:1)壓力露點只能達到2-7℃;2)風冷冷干機的運行對環境溫度有要求,在夏季環境溫度高時,輸出空氣露點可靠性不高;3)當系統負載低于30%時,冷凍干燥機的氣水分離器效率很低,造成凝聚液滴隨空氣到達下游系統,引起下游露點報警。特別是晚間用氣量大大降低時。
GB50751對空氣的含水量有明確的規定,參見上表。從下面的圖表,可以很清晰的看到壓力露點,露點,相對濕度,PPMv以及絕對濕度的關系。
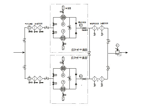
低露點是非常必要的:1)抑制微生物,要達到50mg/Nm3的醫療器械空氣含水量要求,空氣的壓力露點需要達到-27℃,歐洲藥典也明確規定,在-27℃壓力露點以下,微生物的生長會得到明顯抑制。2)保護活性炭過濾器,壓縮空氣系統中的活性炭除油除異味過濾器,對壓縮空氣的干燥度要求達到-40℃壓力露點,否則潮濕的壓縮空氣會使活性炭壽命大大降低。3)保護CO催化過濾器,目前設計的一氧化碳催化過濾器能將65ppm的CO濃度降到5ppm。但是,實驗表明,如果CO催化過濾器在露點不夠的情況下(高于-40℃),只能將15ppm的CO濃度降低到5ppm。參見下圖的醫療壓縮空氣凈化系統:
從上面三點看,醫療系統應該選擇壓力露點-40℃的吸附式干燥器。
2、吸附式干燥器的選型
選用吸附式干燥器,達到可靠的露點和功能,需要考慮如下幾個重要因素:
2、1流量
吸附式干燥器的流量一般按照實際的平均最高消耗氣量來選擇,也可以按照空氣壓縮機的供氣量選擇。這里需要明確的是吸附式干燥器在7bar壓力系統下,一般要消耗15%的流量用于干燥劑的再生。設計系統時應該充分考慮這些損失。
2、2最低工作壓力(流量控制)
當實際消耗的氣量大于看空壓機的供氣能力時,壓縮空氣系統的壓力會降低,這會造成吸附式干燥機超出負載,輸出露點不可靠。
原因有二:
1),壓力低,體積流量變大,壓縮空氣會帶來更多的“濕氣”-水蒸氣
2),體積流量變大,造成壓縮空氣在干燥機內的流速過快,水蒸氣得不到充分干燥,從而影響干燥效果。
為防止干燥機出現過載,可以設置流量控制。
2、3進氣溫度
1),壓縮空氣含濕量與溫度關系
從上圖的含濕量曲線圖我們可以看出,一般吸附式干燥器的進氣標準溫度是35℃,如果進氣溫度變成50℃,那么進入干燥機的壓縮空氣攜帶的水蒸氣含量會超出一倍,遠遠高出干燥器的處理能力。
2),吸附劑的能力隨溫度變化
從上面的曲線我們可以看到,吸附劑的吸附能力隨著溫度的升高而下降。其中對氧化鋁來說,當溫度達到50℃時,其吸附能力大大下降。所以一般來說,吸附式干燥機的標準進氣溫度是35℃。
2、4節能
1)、壓損小
模塊化設計,氣流分布均勻,干燥均勻;
暴風雪填充方式,避免氣流沖擊造成的干燥劑磨損,粉末會進一步增加阻力,并造成后續設備出現粉塵“污染”;
內置的進出口過濾器,盡量減少外部過濾器和管路造成的阻力損失。
2)、采用露點控制,而不是標準時序控制
效率=(T1-T2)/T1
其中:T1=總傳統再生的時間(小時)
T2=實際用于再生的時間(小時)
事實上,從設備整個壽命周期的運行成本來說,前期的投資只是其中的非常小的一部分,更多的投入是設備的運行成本。以10Nm3/min的系統來計算,如果系統平均用氣量只有50%(在晚間和大多數時間系統的利用率實際低于30%),那么采用控制進氣溫度和露點切換的模式節約的能量至少可以達到60%。
計算過程如下:
節能模式總的耗氣量最多為
10Nm3/min*50%*15%*60*24*365=394200Nm3/年
采用固定時序模式,按最高進氣溫度50℃(溫度修正系數0.73),計算
消耗總氣量為
10Nm3/min*15%*60*24*365/0.73=1080000Nm3/年
那么節約的費用約為(壓縮空氣按照每立方0.2元計算):
(1080000-394200)Nm3*0.2元=137160元
這些電費在悄無聲息中,白白浪費了。
2、5體積
模塊化吸附式干燥機的設計簡約,相對于傳統的雙塔吸干機具有更小的體積50%,更輕的重量40%,更便于安裝和搬運,幾乎不需要特殊的搬運工具。
2、6維護功能
對于任何設備在生產廠搞維修都是異常簡單的事,但對于安裝現場,由于人員的技術熟練水平、空間和工具等的局限性,有時確是另一回事。特別是,如果現場裝填干燥劑不利,會造成干燥劑快速粉末化,堵塞消音器,造成能量浪費,甚至造成下游空氣污染和設備堵塞。
2、7控制和報警系統
干燥機應該具有露點控制和報警模式。
當干燥機的壓力露點優于-42°C壓力露點,干燥機會自動進入經濟模式,同時并不影響系統流量和壓力。當壓力露點高于-40℃時,機器會再次轉入正常模式,以確保露點達到-40℃。
在正常情況下,如果干燥機的露點達不到-30℃,將會有報警信號在面板閃爍,同時激發遠程報警系統。
節能模式和露點報警可以通過PLC控制器的按鈕調整。
3、結束語
綜上所述,面對醫療系統越來越高的空氣品質要求,需要確保壓縮空氣始終獲得可靠露點和系統運行穩定。同時,高效節能和低碳環保的運行也是非常越來越考量管理者的智慧。